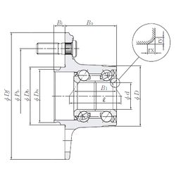
Главная > Подшипники> Шариковые> Радиально-упорные>HUB226-3

HUB226-3 — Радиально-упорный шарикоподшипник, импортное производство по ISO стандарту номер основного исполнения .
Производитель: NTN.
Цена по запросу
Цена на подшипник зависит от:
Габаритные размеры
Размеры и геометрические характеристики
Нагрузка и ресурс
Защита
Конструкция и исполнение
Другие размеры
Радиальный шарикоподшипник N107KLL (TIMKEN)
Подшипник для корпуса NA208-25 (FYH, KOYO)
Цилиндрический роликоподшипник NUP208-4/1YDYR1 (KOYO)
Цилиндрический роликоподшипник RNU208-3 (KOYO)