Главная > Подшипники> Шариковые> Радиально-упорные>HUB028-16

HUB028-16 — Радиально-упорный шарикоподшипник, импортное производство по ISO стандарту номер основного исполнения .
Производитель: NTN.
Цена по запросу
Цена на подшипник зависит от:
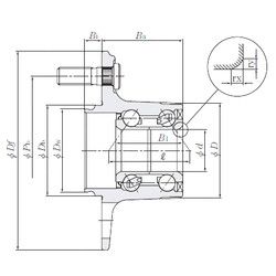
Габаритные размеры
Размеры и геометрические характеристики
Нагрузка и ресурс
Защита
Конструкция и исполнение
Другие размеры
Подшипник для корпуса NA207-23 (FYH, KOYO)
Подшипник для корпуса RA106RR (TIMKEN)
Подшипник для корпуса RA106RRB (TIMKEN)
Подшипник шариковый радиальный RB207-22 (FYH, KOYO)
Радиально-упорный шарикоподшипник HUB094-19 (NTN)