Главная > Подшипники> Шариковые> Радиально-упорные>HUB005-36

HUB005-36 — Радиально-упорный шарикоподшипник, импортное производство по ISO стандарту номер основного исполнения .
Производитель: NTN.
Цена по запросу
Цена на подшипник зависит от:
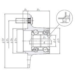
Габаритные размеры
Размеры и геометрические характеристики
Нагрузка и ресурс
Защита
Конструкция и исполнение
Другие размеры
Радиально-упорный шарикоподшипник HUB005-64 (NTN)
Радиально-упорный шарикоподшипник HUB082-13 (NTN)
Радиально-упорный шарикоподшипник HUB156-37 (NTN)
Радиально-упорный шарикоподшипник HUB083-64 (NTN)
Радиально-упорный шарикоподшипник HUB199-14 (NTN)
Радиально-упорный шарикоподшипник HUB167-9 (NTN)