Главная > Подшипники> Шариковые> Радиально-упорные>HTA940DB

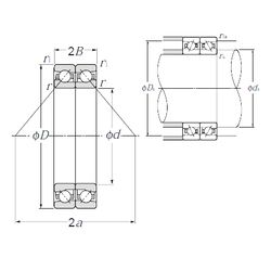
HTA940DB — Радиально-упорный шарикоподшипник, импортное производство по ISO стандарту, размер 200x280x36 номер основного исполнения 940.
Производитель: NTN.
D = профиль наружного кольца, усовершенствованный, с увеличенной зоной несущей нагрузки и оптимизированными краевыми переходами.
Цена по запросу
Цена на подшипник зависит от:
| Обозначение | Модификация |
|---|---|
| 940 | Основное конструктивное исполнение. |
Габаритные размеры
Размеры и геометрические характеристики
Нагрузка и ресурс
Защита
Присоединительные размеры
Конструкция и исполнение