Главная > Подшипники> Шариковые> Радиально-упорные>HTA936DB

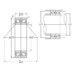
HTA936DB — Радиально-упорный шарикоподшипник, импортное производство по ISO стандарту, размер 180x250x31 номер основного исполнения 936.
Производитель: NTN.
D = профиль наружного кольца, усовершенствованный, с увеличенной зоной несущей нагрузки и оптимизированными краевыми переходами.
Цена по запросу
Цена на подшипник зависит от:
| Обозначение | Модификация |
|---|---|
| 936 | Основное конструктивное исполнение. |
| SL11 936 | |
| SL15 936 | |
| SL14 936 | |
| SL12 936 | |
| HTA936ADB/G25P4L | A = Модифицированная внутренняя конструкция. DB = два однорядных радиальных шарикоподшипника, однорядные радиально-упорные шарикоподшипники или однорядные конические роликовые подшипники, подходящие для монтажа в расположении друг к другу. |
| HTA936DB+20D2/GNP4L | GN = нормальная предварительная нагрузка. P = Литой сепаратор из стеклонаполненного полиамида 6,6, центрируемый по телам качения. |
| HTA936T1DB+20D2/GNP4L | GN = нормальная предварительная нагрузка. P = Литой сепаратор из стеклонаполненного полиамида 6,6, центрируемый по телам качения. |
Габаритные размеры
Размеры и геометрические характеристики
Нагрузка и ресурс
Защита
Присоединительные размеры
Конструкция и исполнение