Главная > Подшипники> Шариковые> Радиально-упорные>HTA036DB

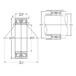
HTA036DB — Радиально-упорный шарикоподшипник, импортное производство по ISO стандарту, размер 180x280x45 номер основного исполнения .
Производитель: NTN.
D = профиль наружного кольца, усовершенствованный, с увеличенной зоной несущей нагрузки и оптимизированными краевыми переходами.
Цена по запросу
Цена на подшипник зависит от:
Габаритные размеры
Размеры и геометрические характеристики
Нагрузка и ресурс
Защита
Присоединительные размеры
Конструкция и исполнение
Сверхточный двухнаправленный радиально-упорный шарикоподшипник BTM 180 BM/HCP4CDB (SKF)
Сверхточный двухнаправленный радиально-упорный шарикоподшипник BTM 180 BM/P4CDB (SKF)