Главная > Подшипники> Шариковые> Радиально-упорные>HSS71916-E-T-P4S

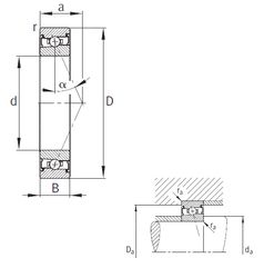
HSS71916-E-T-P4S — Подшипник шариковый однорядный радиально-упорный, импортное производство по ISO стандарту, размер 80x110x16 номер основного исполнения 71916.
Производитель: FAG.
E = (AC-SKF) = 25 градусов угол контакта. T = (сегмент TB-Cage) = текстильная слоистая Фенольный смола, направленная по наружному кольцу. сепаратор подходит для длительной эксплуатации при температуре до 100 градусов C. P = Литой сепаратор из стеклонаполненного полиамида 6,6, центрируемый по телам качения.
Цена по запросу
Цена на подшипник зависит от:
| Обозначение | Модификация |
|---|---|
| 71916 | Основное конструктивное исполнение. |
| B71916 | |
| HS71916 | |
| 71916 C | С = Необслуживаемые концы стержней, внутренняя резьба. |
| 71916 A | A = внутренняя модификация конструкции. |
| H71916AC | AC = Угол контакта 25 градусов. |
| 71916 CDT | С = Необслуживаемые концы стержней, внутренняя резьба. |
| 71916 CDF | Комплект подшипников расположенных лицом к лицу, дуплексная Х-образная пара. |
| 71916 CDB | С = Необслуживаемые концы стержней, внутренняя резьба. |
| 71916 C-UD | С = Необслуживаемые концы стержней, внутренняя резьба. |
| 71916 C-UX | С = Необслуживаемые концы стержней, внутренняя резьба. |
| 71916 C-UO | С = Необслуживаемые концы стержней, внутренняя резьба. |
| 71916 ATBP4 | ТВ = текстолитовый сепаратор, центрируемый по внутреннему кольцу. |
| H71916C/HQ1 | С = Необслуживаемые концы стержней, внутренняя резьба. |
| 71916HVUJ74 | J = Сепаратор стальной штампованный незакалённый. Сорт стали 7. |
| 71916CVUJ74 | J = Сепаратор стальной штампованный незакалённый. Сорт стали 7. |
| 71916 CTBP4 | ТВ = текстолитовый сепаратор, центрируемый по внутреннему кольцу. |
| H71916AC/HQ1 | AC = Угол контакта 25 градусов. |
| 71916 CD/P4A | CD = 15 градусов угол контакта. P4 = Точность размеров и вращения соответствуют классу точности 4 ISO. |
| 71916CVDUJ74 | DU = (RS1-SKF) = Уплотнительное контактное уплотнение из акрилонитрил-бутадиеновой резины (NBR) из листовой стали на одной стороне подшипника. |
| 71916HVDUJ74 | DU = (RS1-SKF) = Уплотнительное контактное уплотнение из акрилонитрил-бутадиеновой резины (NBR) из листовой стали на одной стороне подшипника. |
| 71916 CE/P4A | P4 = Точность размеров и вращения соответствуют классу точности 4 ISO. |
| 71916 CB/P4A | P4 = Точность размеров и вращения соответствуют классу точности 4 ISO. |
| 71916 CB/P4AL | P4 = Точность размеров и вращения соответствуют классу точности 4 ISO. |
| 71916 CE/P4AL | P4 = Точность размеров и вращения соответствуют классу точности 4 ISO. |
| S71916 CB/P4A | P4 = Точность размеров и вращения соответствуют классу точности 4 ISO. |
| 71916 CD/P4AL | CD = 15 градусов угол контакта. P4 = Точность размеров и вращения соответствуют классу точности 4 ISO. |
| 71916 ACD/P4A | ACD = Угол контакта 25 градусов. P4 = Точность конструкции P4, точность хода P4. |
| S71916 CE/P4A | P4 = Точность размеров и вращения соответствуют классу точности 4 ISO. |
| 71916 ACE/P4A | AC = Угол контакта 25 градусов. |
| S71916 CD/P4A | CD = 15 градусов угол контакта. P4 = Точность размеров и вращения соответствуют классу точности 4 ISO. |
| 71916 ACB/P4A | AC = Угол контакта 25 градусов. |
| B71916-E-T-P4S | E = (AC-SKF) = 25 градусов угол контакта. T = (сегмент TB-Cage) = текстильная слоистая Фенольный смола, направленная по наружному кольцу. сепаратор подходит для длительной эксплуатации при температуре до 100 градусов C. P = Литой сепаратор из стеклонаполненного полиамида 6,6, центрируемый по телам качения. |
| 71916 CD/HCP4A | P4 = Точность размеров и вращения соответствуют классу точности 4 ISO. |
| 71916 ACD/P4AL | ACD = Угол контакта 25 градусов. P4 = Точность конструкции P4, точность хода P4. |
| 71916 CDGB.P4A | P4 = Точность размеров и вращения соответствуют классу точности 4 ISO. |
| ML71916HVUJ74S | J = Сепаратор стальной штампованный незакалённый. Сорт стали 7. |
| 71916 ACB/P4AL | AC = Угол контакта 25 градусов. |
| 71916 CB/HCP4A | P4 = Точность размеров и вращения соответствуют классу точности 4 ISO. |
| ML71916CVUJ74S | J = Сепаратор стальной штампованный незакалённый. Сорт стали 7. |
| 71916 CD/P4AH1 | CD = 15 градусов угол контакта. P4 = Точность размеров и вращения соответствуют классу точности 4 ISO. |
| S71916 ACE/P4A | AC = Угол контакта 25 градусов. |
| 71916 CE/HCP4A | P4 = Точность размеров и вращения соответствуют классу точности 4 ISO. |
| S71916 ACD/P4A | ACD = Угол контакта 25 градусов. P4 = Точность конструкции P4, точность хода P4. |
| 71916 CE/P4AH1 | P4 = Точность размеров и вращения соответствуют классу точности 4 ISO. |
| S71916 ACB/P4A | AC = Угол контакта 25 градусов. |
| B71916-C-T-P4S | T = Нейлоновая клетка, армированная стекловолокном (радиальные роликовые подшипники). P = Литой сепаратор из стеклонаполненного полиамида 6,6, центрируемый по телам качения. |
| 71916 CD/HCP4AL | P4 = Точность размеров и вращения соответствуют классу точности 4 ISO. |
| 71916 ACB/HCP4A | AC = Угол контакта 25 градусов. |
| HC71916-E-T-P4S | E = (AC-SKF) = 25 градусов угол контакта. T = (сегмент TB-Cage) = текстильная слоистая Фенольный смола, направленная по наружному кольцу. сепаратор подходит для длительной эксплуатации при температуре до 100 градусов C. P = Литой сепаратор из стеклонаполненного полиамида 6,6, центрируемый по телам качения. |
Габаритные размеры
Размеры и геометрические характеристики
Нагрузка и ресурс
Защита
Отклонение, точность вращения
Присоединительные размеры
Конструкция и исполнение
Прочие характеристики
Подшипник однорядный шариковый радиальный 61916 (CRAFT, CX, FAG, ISB, ISO)
Подшипник однорядный шариковый радиальный 61916 2RSR (NKE)
Подшипник однорядный шариковый радиальный 61916 2RSR.C3 (NKE)
Подшипник шариковый радиальный однорядный 1000916
Подшипник шариковый радиальный однорядный 5-1000916 (ГПЗ-4)
Подшипник шариковый радиальный однорядный 6-1000916 (ГПЗ-4)