Главная > Подшипники> Шариковые> Радиально-упорные>HSS71906-E-T-P4S

HSS71906-E-T-P4S — Подшипник шпиндельный, импортное производство по ISO стандарту, размер 30x47x9 номер основного исполнения 71906.
Производитель: FAG.
E = (AC-SKF) = 25 градусов угол контакта. T = (сегмент TB-Cage) = текстильная слоистая Фенольный смола, направленная по наружному кольцу. сепаратор подходит для длительной эксплуатации при температуре до 100 градусов C. P = Литой сепаратор из стеклонаполненного полиамида 6,6, центрируемый по телам качения.
Цена по запросу
Цена на подшипник зависит от:
| Обозначение | Модификация |
|---|---|
| 71906 | Основное конструктивное исполнение. |
| B71906 | |
| 71906 C | С = Необслуживаемые концы стержней, внутренняя резьба. |
| 71906 A | A = внутренняя модификация конструкции. |
| HS71906 | |
| 71906 CDT | С = Необслуживаемые концы стержней, внутренняя резьба. |
| 71906 CDB | С = Необслуживаемые концы стержней, внутренняя резьба. |
| 71906 CDF | Комплект подшипников расположенных лицом к лицу, дуплексная Х-образная пара. |
| 71906 C-UX | С = Необслуживаемые концы стержней, внутренняя резьба. |
| 71906 C-UD | С = Необслуживаемые концы стержней, внутренняя резьба. |
| 71906 C-UO | С = Необслуживаемые концы стержней, внутренняя резьба. |
| 71906 CTBP4 | ТВ = текстолитовый сепаратор, центрируемый по внутреннему кольцу. |
| 71906 ATBP4 | ТВ = текстолитовый сепаратор, центрируемый по внутреннему кольцу. |
| 71906CVUJ74 | J = Сепаратор стальной штампованный незакалённый. Сорт стали 7. |
| 71906HVUJ74 | J = Сепаратор стальной штампованный незакалённый. Сорт стали 7. |
| 71906 CB/P4A | P4 = Точность размеров и вращения соответствуют классу точности 4 ISO. |
| 71906 CD/P4A | CD = 15 градусов угол контакта. P4 = Точность размеров и вращения соответствуют классу точности 4 ISO. |
| 71906HVDUJ74 | DU = (RS1-SKF) = Уплотнительное контактное уплотнение из акрилонитрил-бутадиеновой резины (NBR) из листовой стали на одной стороне подшипника. |
| 71906 CE/P4A | P4 = Точность размеров и вращения соответствуют классу точности 4 ISO. |
| 71906CVDUJ74 | DU = (RS1-SKF) = Уплотнительное контактное уплотнение из акрилонитрил-бутадиеновой резины (NBR) из листовой стали на одной стороне подшипника. |
| 71906 CDGA.P4 | P4 = Точность размеров и вращения соответствуют классу точности 4 ISO. |
| 71906 ACB/P4A | AC = Угол контакта 25 градусов. |
| 71906 CE/P4AL | P4 = Точность размеров и вращения соответствуют классу точности 4 ISO. |
| 71906 CE/P4AH | P4 = Точность размеров и вращения соответствуют классу точности 4 ISO. |
| 71906 ACE/P4A | AC = Угол контакта 25 градусов. |
| S71906 CE/P4A | P4 = Точность размеров и вращения соответствуют классу точности 4 ISO. |
| 71906 ACD/P4A | ACD = Угол контакта 25 градусов. P4 = Точность конструкции P4, точность хода P4. |
| S71906 CB/P4A | P4 = Точность размеров и вращения соответствуют классу точности 4 ISO. |
| S71906 CD/P4A | CD = 15 градусов угол контакта. P4 = Точность размеров и вращения соответствуют классу точности 4 ISO. |
| S71906 ACB/P4A | AC = Угол контакта 25 градусов. |
| S71906 ACD/P4A | ACD = Угол контакта 25 градусов. P4 = Точность конструкции P4, точность хода P4. |
| B71906-E-T-P4S | E = (AC-SKF) = 25 градусов угол контакта. T = (сегмент TB-Cage) = текстильная слоистая Фенольный смола, направленная по наружному кольцу. сепаратор подходит для длительной эксплуатации при температуре до 100 градусов C. P = Литой сепаратор из стеклонаполненного полиамида 6,6, центрируемый по телам качения. |
| B71906-C-T-P4S | T = Нейлоновая клетка, армированная стекловолокном (радиальные роликовые подшипники). P = Литой сепаратор из стеклонаполненного полиамида 6,6, центрируемый по телам качения. |
| 71906 ACE/P4AL | AC = Угол контакта 25 градусов. |
| 71906 CB/HCP4A | P4 = Точность размеров и вращения соответствуют классу точности 4 ISO. |
| 71906 ACE/P4AH | AC = Угол контакта 25 градусов. |
| ML71906HVUJ74S | J = Сепаратор стальной штампованный незакалённый. Сорт стали 7. |
| ML71906CVUJ74S | J = Сепаратор стальной штампованный незакалённый. Сорт стали 7. |
| 71906 CD/HCP4A | P4 = Точность размеров и вращения соответствуют классу точности 4 ISO. |
| S71906 ACE/P4A | AC = Угол контакта 25 градусов. |
| 71906 CE/HCP4A | P4 = Точность размеров и вращения соответствуют классу точности 4 ISO. |
| 71906 ACE/HCP4A | AC = Угол контакта 25 градусов. |
| S71906 CD/HCP4A | P4 = Точность размеров и вращения соответствуют классу точности 4 ISO. |
| 71906 ACD/HCP4A | ACD = Угол контакта 25 градусов. |
| S71906 CE/HCP4A | P4 = Точность размеров и вращения соответствуют классу точности 4 ISO. |
| HC71906-E-T-P4S | E = (AC-SKF) = 25 градусов угол контакта. T = (сегмент TB-Cage) = текстильная слоистая Фенольный смола, направленная по наружному кольцу. сепаратор подходит для длительной эксплуатации при температуре до 100 градусов C. P = Литой сепаратор из стеклонаполненного полиамида 6,6, центрируемый по телам качения. |
| 71906 CE/HCP4AH | P4 = Точность размеров и вращения соответствуют классу точности 4 ISO. |
| HS71906-C-T-P4S | Высокоскоростной шпиндельный подшипник. T = Нейлоновая клетка, армированная стекловолокном (радиальные роликовые подшипники). P = Литой сепаратор из стеклонаполненного полиамида 6,6, центрируемый по телам качения. |
| HS71906-E-T-P4S | Высокоскоростной шпиндельный подшипник. E = (AC-SKF) = 25 градусов угол контакта. T = (сегмент TB-Cage) = текстильная слоистая Фенольный смола, направленная по наружному кольцу. сепаратор подходит для длительной эксплуатации при температуре до 100 градусов C. P = Литой сепаратор из стеклонаполненного полиамида 6,6, центрируемый по телам качения. |
| ML71906CVDUJ74S | DU = (RS1-SKF) = Уплотнительное контактное уплотнение из акрилонитрил-бутадиеновой резины (NBR) из листовой стали на одной стороне подшипника. |
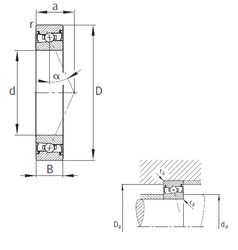
Габаритные размеры
Размеры и геометрические характеристики
Нагрузка и ресурс
Защита
Отклонение, точность вращения
Присоединительные размеры
Конструкция и исполнение
Прочие характеристики
Подшипник роликовый радиально-упорный конический 7906 (CYSD, NTN)
Подшипник однорядный шариковый радиальный 61906 2Z (FAG, NKE, ZEN)
Подшипник однорядный шариковый радиальный 61906 2RS (CRAFT, CX, FAG, ISB, ISO)
Подшипник однорядный шариковый радиальный 61906 2RZ (FAG, ISB, SKF)
Подшипник однорядный шариковый радиальный 61906 2Z.C3 (FAG)
Подшипник шариковый радиальный 1000906 А (ГПЗ-23)