Главная > Подшипники> Шариковые> Радиально-упорные>HSS71902-E-T-P4S

HSS71902-E-T-P4S — Подшипник шпиндельный, импортное производство по ISO стандарту, размер 15x28x7 номер основного исполнения .
Производитель: FAG.
E = (AC-SKF) = 25 градусов угол контакта. T = (сегмент TB-Cage) = текстильная слоистая Фенольный смола, направленная по наружному кольцу. сепаратор подходит для длительной эксплуатации при температуре до 100 градусов C. P = Литой сепаратор из стеклонаполненного полиамида 6,6, центрируемый по телам качения.
Цена по запросу
Цена на подшипник зависит от:
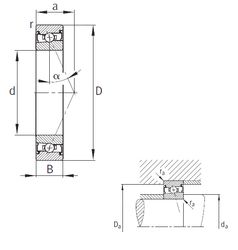
Габаритные размеры
Размеры и геометрические характеристики
Нагрузка и ресурс
Защита
Отклонение, точность вращения
Присоединительные размеры
Конструкция и исполнение
Прочие характеристики
Подшипник однорядный шариковый радиальный 61902 (CRAFT, CX, FAG, ISB, ISO)
Подшипник шариковый однорядный радиально-упорный B71902 E.T.P4S.UL (FAG)
Подшипник шариковый однорядный радиально-упорный HS71902 C.T.P4S.UL (FAG)
Подшипник однорядный шариковый радиальный 61902 2Z (FAG, NKE, SKF, ZEN)