Главная > Подшипники> Шариковые> Радиально-упорные>HSB022C

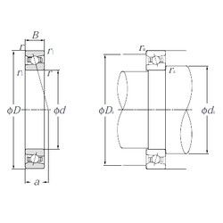
HSB022C — Радиально-упорный шарикоподшипник, импортное производство по ISO стандарту, размер 110x170x28 номер основного исполнения .
Производитель: NTN.
С = Необслуживаемые концы стержней, внутренняя резьба.
Цена по запросу
Цена на подшипник зависит от:
Габаритные размеры
Размеры и геометрические характеристики
Нагрузка и ресурс
Защита
Коэффициенты для расчета
Присоединительные размеры
Конструкция и исполнение
Однорядный цилиндрический роликовый подшипник NU1022 (CX, CYSD, ISB, ISO, KOYO)
Подшипник однорядный шариковый радиальный 6022 (CRAFT, CX, CYSD, FAG, ISB)
Подшипник шариковый однорядный радиально-упорный 7022 (CYSD, KOYO, NACHI, NSK, NTN)
Подшипник шариковый радиальный однорядный 122
Подшипник шариковый однорядный радиально-упорный HS7022 C.T.P4S.UL (FAG)