Главная > Подшипники> Шариковые> Радиально-упорные>HS71924-E-T-P4S

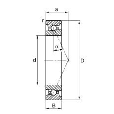
HS71924-E-T-P4S — Подшипник шариковый однорядный радиально-упорный, импортное производство по ISO стандарту, размер 120x165x22 номер основного исполнения 71924.
Производитель: FAG.
Высокоскоростной шпиндельный подшипник.
E = (AC-SKF) = 25 градусов угол контакта. T = (сегмент TB-Cage) = текстильная слоистая Фенольный смола, направленная по наружному кольцу. сепаратор подходит для длительной эксплуатации при температуре до 100 градусов C. P = Литой сепаратор из стеклонаполненного полиамида 6,6, центрируемый по телам качения.
Цена от:20 886 р.
Цена на подшипник зависит от:
| Обозначение | Модификация |
|---|---|
| 71924 | Основное конструктивное исполнение. |
| 71924 A | A = внутренняя модификация конструкции. |
| H71924C | С = Необслуживаемые концы стержней, внутренняя резьба. |
| HS71924 | |
| 71924 C | С = Необслуживаемые концы стержней, внутренняя резьба. |
| 71924AC | AC = Угол контакта 25 градусов. |
| H71924AC | AC = Угол контакта 25 градусов. |
| 71924 CDB | С = Необслуживаемые концы стержней, внутренняя резьба. |
| 71924 CDF | Комплект подшипников расположенных лицом к лицу, дуплексная Х-образная пара. |
| 71924 CDT | С = Необслуживаемые концы стержней, внутренняя резьба. |
| 71924 C-UO | С = Необслуживаемые концы стержней, внутренняя резьба. |
| 71924 C-UX | С = Необслуживаемые концы стержней, внутренняя резьба. |
| 71924 C-UD | С = Необслуживаемые концы стержней, внутренняя резьба. |
| H71924C/HQ1 | С = Необслуживаемые концы стержней, внутренняя резьба. |
| 71924 CTBP4 | ТВ = текстолитовый сепаратор, центрируемый по внутреннему кольцу. |
| 71924HVUJ74 | J = Сепаратор стальной штампованный незакалённый. Сорт стали 7. |
| 71924CVUJ74 | J = Сепаратор стальной штампованный незакалённый. Сорт стали 7. |
| 71924 ATBP4 | ТВ = текстолитовый сепаратор, центрируемый по внутреннему кольцу. |
| H71924AC/HQ1 | AC = Угол контакта 25 градусов. |
| 71924HVDUJ74 | DU = (RS1-SKF) = Уплотнительное контактное уплотнение из акрилонитрил-бутадиеновой резины (NBR) из листовой стали на одной стороне подшипника. |
| 71924 CD/P4A | CD = 15 градусов угол контакта. P4 = Точность размеров и вращения соответствуют классу точности 4 ISO. |
| 71924CVDUJ74 | DU = (RS1-SKF) = Уплотнительное контактное уплотнение из акрилонитрил-бутадиеновой резины (NBR) из листовой стали на одной стороне подшипника. |
| 71924 CB/P4A | P4 = Точность размеров и вращения соответствуют классу точности 4 ISO. |
| 71924 CE/P4A | P4 = Точность размеров и вращения соответствуют классу точности 4 ISO. |
| 71924 ACB/P4A | AC = Угол контакта 25 градусов. |
| 71924 CB/P4AL | P4 = Точность размеров и вращения соответствуют классу точности 4 ISO. |
| 71924 ACD/P4A | ACD = Угол контакта 25 градусов. P4 = Точность конструкции P4, точность хода P4. |
| S71924 CE/P4A | P4 = Точность размеров и вращения соответствуют классу точности 4 ISO. |
| S71924 CD/P4A | CD = 15 градусов угол контакта. P4 = Точность размеров и вращения соответствуют классу точности 4 ISO. |
| S71924 CB/P4A | P4 = Точность размеров и вращения соответствуют классу точности 4 ISO. |
| 71924 ACE/P4A | AC = Угол контакта 25 градусов. |
| 71924 CD/P4AL | CD = 15 градусов угол контакта. P4 = Точность размеров и вращения соответствуют классу точности 4 ISO. |
| B71924-C-T-P4S | T = Нейлоновая клетка, армированная стекловолокном (радиальные роликовые подшипники). P = Литой сепаратор из стеклонаполненного полиамида 6,6, центрируемый по телам качения. |
| B71924-E-T-P4S | E = (AC-SKF) = 25 градусов угол контакта. T = (сегмент TB-Cage) = текстильная слоистая Фенольный смола, направленная по наружному кольцу. сепаратор подходит для длительной эксплуатации при температуре до 100 градусов C. P = Литой сепаратор из стеклонаполненного полиамида 6,6, центрируемый по телам качения. |
| 71924 ACB/P4AL | AC = Угол контакта 25 градусов. |
| 71924 CE/HCP4A | P4 = Точность размеров и вращения соответствуют классу точности 4 ISO. |
| S71924 ACE/P4A | AC = Угол контакта 25 градусов. |
| 71924 CD/HCP4A | P4 = Точность размеров и вращения соответствуют классу точности 4 ISO. |
| 71924 ACE/P4AL | AC = Угол контакта 25 градусов. |
| S71924 ACD/P4A | ACD = Угол контакта 25 градусов. P4 = Точность конструкции P4, точность хода P4. |
| 71924 CB/HCP4A | P4 = Точность размеров и вращения соответствуют классу точности 4 ISO. |
| 71924 CE/P4AH1 | P4 = Точность размеров и вращения соответствуют классу точности 4 ISO. |
| 71924 ACD/P4AL | ACD = Угол контакта 25 градусов. P4 = Точность конструкции P4, точность хода P4. |
| S71924 ACB/P4A | AC = Угол контакта 25 градусов. |
| 71924 CD/P4AH1 | CD = 15 градусов угол контакта. P4 = Точность размеров и вращения соответствуют классу точности 4 ISO. |
| 71924 ACB/HCP4A | AC = Угол контакта 25 градусов. |
| HC71924-E-T-P4S | E = (AC-SKF) = 25 градусов угол контакта. T = (сегмент TB-Cage) = текстильная слоистая Фенольный смола, направленная по наружному кольцу. сепаратор подходит для длительной эксплуатации при температуре до 100 градусов C. P = Литой сепаратор из стеклонаполненного полиамида 6,6, центрируемый по телам качения. |
| 71924 CE/HCP4AL | P4 = Точность размеров и вращения соответствуют классу точности 4 ISO. |
| 71924 ACE/P4AH1 | AC = Угол контакта 25 градусов. |
| HS71924-C-T-P4S | Высокоскоростной шпиндельный подшипник. T = Нейлоновая клетка, армированная стекловолокном (радиальные роликовые подшипники). P = Литой сепаратор из стеклонаполненного полиамида 6,6, центрируемый по телам качения. |
Габаритные размеры
Размеры и геометрические характеристики
Нагрузка и ресурс
Отклонение, точность вращения
Присоединительные размеры
Прочие характеристики
Подшипник однорядный шариковый радиальный 61924 (CX, ISB, ISO, NKE, SIGMA)
Подшипник однорядный шариковый радиальный 61924 C3 (NKE)
Подшипник шариковый радиальный однорядный 1000924 Л
Подшипник шариковый радиальный 1000924 АД (ГПЗ-23)
Подшипник шариковый радиальный однорядный 1000924 Д (ГПЗ-23)