Главная > Подшипники> Шариковые> Радиально-упорные>HS71902-E-T-P4S

HS71902-E-T-P4S — Подшипник шпиндельный, импортное производство по ISO стандарту, размер 15x28x7 номер основного исполнения HS71902.
Производитель: FAG.
Высокоскоростной шпиндельный подшипник.
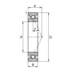
E = (AC-SKF) = 25 градусов угол контакта. T = (сегмент TB-Cage) = текстильная слоистая Фенольный смола, направленная по наружному кольцу. сепаратор подходит для длительной эксплуатации при температуре до 100 градусов C. P = Литой сепаратор из стеклонаполненного полиамида 6,6, центрируемый по телам качения.
Цена по запросу
Цена на подшипник зависит от:
| Обозначение | Модификация |
|---|---|
| HS71902 | Основное конструктивное исполнение. |
| HS71902-C-T-P4S | Высокоскоростной шпиндельный подшипник. T = Нейлоновая клетка, армированная стекловолокном (радиальные роликовые подшипники). P = Литой сепаратор из стеклонаполненного полиамида 6,6, центрируемый по телам качения. |
| HS71902 C.T.P4S.UL | Высокоскоростной шпиндельный подшипник. C = угол контакта 15 градусов. T = (сегмент TB-Cage) = текстильная слоистая Фенольный смола, направленная по наружному кольцу. сепаратор подходит для длительной эксплуатации при температуре до 100 градусов C. P4S = (4S-Precision Segment) / (P4A-SKF) = (MMV-FAF) = Граничные размеры ISO 4, Abec-7, Точность хода ISO 2, Abec-9. U = конический роликоподшипник с уменьшенными допусками по ширине. |
Габаритные размеры
Размеры и геометрические характеристики
Нагрузка и ресурс
Отклонение, точность вращения
Присоединительные размеры
Прочие характеристики
Подшипник однорядный шариковый радиальный 61902 (CRAFT, CX, FAG, ISB, ISO)
Подшипник шариковый однорядный радиально-упорный B71902 E.T.P4S.UL (FAG)
Подшипник однорядный шариковый радиальный 61902 2Z (FAG, NKE, SKF, ZEN)
Подшипник однорядный шариковый радиальный 61902 2RS1 (FAG, SKF)
Подшипник шариковый радиальный 61902 2RZ (FAG, ISB, SKF)