Главная > Подшипники> Шариковые> Радиально-упорные>HS71901-E-T-P4S

HS71901-E-T-P4S — Подшипник шпиндельный, импортное производство по ISO стандарту, размер 12x24x6 номер основного исполнения .
Производитель: FAG.
Высокоскоростной шпиндельный подшипник.
E = (AC-SKF) = 25 градусов угол контакта. T = (сегмент TB-Cage) = текстильная слоистая Фенольный смола, направленная по наружному кольцу. сепаратор подходит для длительной эксплуатации при температуре до 100 градусов C. P = Литой сепаратор из стеклонаполненного полиамида 6,6, центрируемый по телам качения.
Цена по запросу
Цена на подшипник зависит от:
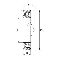
Габаритные размеры
Размеры и геометрические характеристики
Нагрузка и ресурс
Отклонение, точность вращения
Присоединительные размеры
Прочие характеристики
Подшипник однорядный шариковый радиальный 61901 (CRAFT, CX, FAG, IBC, ISB)
Подшипник однорядный шариковый радиальный 61901 2Z.C3 (IBC)
Подшипник однорядный шариковый радиальный 61901 C3 (IBC)
Подшипник однорядный шариковый радиальный 61901 2RS1 (IBC, SKF)
Подшипник однорядный шариковый радиальный 61901 2Z (FAG, IBC, NKE, SKF, ZEN)
Подшипник шариковый радиальный однорядный 1000901