Главная > Подшипники> Шариковые> Радиально-упорные>HS7000-E-T-P4S

HS7000-E-T-P4S — Подшипник шпиндельный, импортное производство по ISO стандарту, размер 10x10x10 номер основного исполнения 7000.
Производитель: FAG.
Высокоскоростной шпиндельный подшипник.
E = (AC-SKF) = 25 градусов угол контакта. T = (сегмент TB-Cage) = текстильная слоистая Фенольный смола, направленная по наружному кольцу. сепаратор подходит для длительной эксплуатации при температуре до 100 градусов C. P = Литой сепаратор из стеклонаполненного полиамида 6,6, центрируемый по телам качения.
Цена от:3 176 р.
Цена на подшипник зависит от:
| Обозначение | Модификация |
|---|---|
| 7000 | Основное конструктивное исполнение. |
| HS7000 | |
| 7000DF | Комплект подшипников расположенных лицом к лицу, дуплексная Х-образная пара. |
| 7000 C | С = Необслуживаемые концы стержней, внутренняя резьба. |
| 7000DB | D = профиль наружного кольца, усовершенствованный, с увеличенной зоной несущей нагрузки и оптимизированными краевыми переходами. |
| 7000 A | A = внутренняя модификация конструкции. |
| 7000 B | B = однокомпонентное ребристое внутреннее кольцо. |
| 7000DT | T = Механически обработанный сепаратор из текстолита, центрируемый по телам качения. |
| 7000AC | AC = Угол контакта 25 градусов. |
| NC7000V | V = Увеличенная грузоподъемность, внутренняя модификация конструкции. |
| 7000CDB | С = Необслуживаемые концы стержней, внутренняя резьба. |
| 7000CDF | Комплект подшипников расположенных лицом к лицу, дуплексная Х-образная пара. |
| 7000CDT | С = Необслуживаемые концы стержней, внутренняя резьба. |
| 7000CPA | С = Необслуживаемые концы стержней, внутренняя резьба. |
| 7000 BDB | B = 40 градусов угол контакта. DB = два однорядных радиальных шарикоподшипника, однорядные радиально-упорные шарикоподшипники или однорядные конические роликовые подшипники, подходящие для монтажа в расположении друг за другом. |
| 7000 ADT | T = Механически обработанный сепаратор из текстолита, центрируемый по телам качения. |
| 7000 ADB | A = Модифицированная внутренняя конструкция. DB = два однорядных радиальных шарикоподшипника, однорядные радиально-упорные шарикоподшипники или однорядные конические роликовые подшипники, подходящие для монтажа в расположении друг к другу. |
| 7000 BDT | BD = Модифицированная внутренняя конструкция, угол контакта α = 30 градусов, без отверстия для заполнения. |
| 7000 ADF | Комплект подшипников расположенных лицом к лицу, дуплексная Х-образная пара. |
| 7000 BDF | B = 40 градусов угол контакта. DF = Два однорядных радиальных шарикоподшипника, однорядных радиально-упорных шарикоподшипника или однорядных конических роликоподшипника, согласованные для монтажа по Х-образной схеме. |
| 7000 C-UX | С = Необслуживаемые концы стержней, внутренняя резьба. |
| 7000CTRSU | С = Необслуживаемые концы стержней, внутренняя резьба. |
| 7000 A-UD | A = внутренняя модификация конструкции. |
| 7000 A-UX | A = внутренняя модификация конструкции. |
| 7000 A-UO | A = внутренняя модификация конструкции. |
| 7000 C-UO | С = Необслуживаемые концы стержней, внутренняя резьба. |
| 7000 B-UO | B = однокомпонентное ребристое внутреннее кольцо. |
| 7000 C-UD | С = Необслуживаемые концы стержней, внутренняя резьба. |
| 7000 B-UD | D = профиль наружного кольца, усовершенствованный, с увеличенной зоной несущей нагрузки и оптимизированными краевыми переходами. |
| 7000 B-UX | X = Внешние размеры, соответствующие международным стандартам. |
| 7000HVUJ74 | J = Сепаратор стальной штампованный незакалённый. Сорт стали 7. |
| 7000 CTBP4 | ТВ = текстолитовый сепаратор, центрируемый по внутреннему кольцу. |
| 7000A5TRSU | Угол контакта 25 градусов. |
| 7000CVUJ74 | J = Сепаратор стальной штампованный незакалённый. Сорт стали 7. |
| 7000 ATBP4 | ТВ = текстолитовый сепаратор, центрируемый по внутреннему кольцу. |
| 7000 CE/P4A | P4 = Точность размеров и вращения соответствуют классу точности 4 ISO. |
| 7000CG/GNP4 | GN = нормальная предварительная нагрузка. P = Литой сепаратор из стеклонаполненного полиамида 6,6, центрируемый по телам качения. |
| 7000 CD/P4A | CD = 15 градусов угол контакта. P4 = Точность размеров и вращения соответствуют классу точности 4 ISO. |
| 7000CVDUJ74 | DU = (RS1-SKF) = Уплотнительное контактное уплотнение из акрилонитрил-бутадиеновой резины (NBR) из листовой стали на одной стороне подшипника. |
| 7000HVDUJ74 | DU = (RS1-SKF) = Уплотнительное контактное уплотнение из акрилонитрил-бутадиеновой резины (NBR) из листовой стали на одной стороне подшипника. |
| 7000CG/GLP4 | P4 = Точность размеров и вращения соответствуют классу точности 4 ISO. |
| S7000 CE/P4A | P4 = Точность размеров и вращения соответствуют классу точности 4 ISO. |
| 7000CG/GMP42 | М = Механически обработанный латунный сепаратор, центрируемый по телам качения. P4 = Точность размеров и вращения соответствуют классу точности 4 ISO. |
| 7000UCG/GNP4 | GN = нормальная предварительная нагрузка. P = Литой сепаратор из стеклонаполненного полиамида 6,6, центрируемый по телам качения. |
| 7000 ACE/P4A | AC = Угол контакта 25 градусов. |
| 7000 ACD/P4A | ACD = Угол контакта 25 градусов. P4 = Точность конструкции P4, точность хода P4. |
| 7000 CD/P4AH | CD = 15 градусов угол контакта. P4 = Точность размеров и вращения соответствуют классу точности 4 ISO. |
| 7000 CE/P4AH | P4 = Точность размеров и вращения соответствуют классу точности 4 ISO. |
| 7000CG/GNP42 | GN = нормальная предварительная нагрузка. P = Литой сепаратор из стеклонаполненного полиамида 6,6, центрируемый по телам качения. |
| S7000 CD/P4A | CD = 15 градусов угол контакта. P4 = Точность размеров и вращения соответствуют классу точности 4 ISO. |
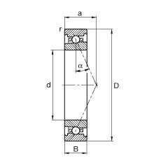
Габаритные размеры
Размеры и геометрические характеристики
Нагрузка и ресурс
Отклонение, точность вращения
Присоединительные размеры
Прочие характеристики