Главная > Подшипники> Роликовые > Радиально-упорные>HR33116J

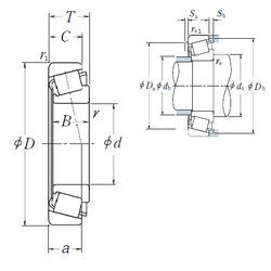
HR33116J — Конический роликоподшипник, импортное производство по ISO стандарту, размер 80x130x37 номер основного исполнения 33116.
Производитель: NSK.
J = Сепаратор стальной штампованный незакалённый.
Цена по запросу
Цена на подшипник зависит от:
| Обозначение | Модификация |
|---|---|
| 33116 | Основное конструктивное исполнение. |
| 33116F | Механически обработанный сепаратор из стали или чугуна, центрируемый по телам качения. |
| 33116 J | J = Сепаратор стальной штампованный незакалённый. |
| 33116 A | A = внутренняя модификация конструкции. |
| 33116/Q | Q = тихий ход работы подшипника. |
| 33116JR | R = Наружное кольцо с фланцем . |
| E33116J | J = Сепаратор стальной штампованный незакалённый. |
| 33116 TN9/Q | TN = Полиамидная клетка. |
| X33116/Y33116 | 16Y = Y = Латунный сепаратор из прессованной меди с центрированием по прокатному элементу. |
| XA33116/Y33116 | 16Y = Y = Латунный сепаратор из прессованной меди с центрированием по прокатному элементу. |
| X33116M/Y33116M | Y = Штампованный латунный сепаратор, центрируемый по телам качения. |
Габаритные размеры
Размеры и геометрические характеристики
Нагрузка и ресурс
Защита
Коэффициенты для расчета
Присоединительные размеры
Конструкция и исполнение