Главная > Подшипники> Роликовые > Радиально-упорные>HR33026J

HR33026J — Конический роликоподшипник, импортное производство по ISO стандарту, размер 130x200x55 номер основного исполнения 33026.
Производитель: NSK.
J = Сепаратор стальной штампованный незакалённый.
Цена по запросу
Цена на подшипник зависит от:
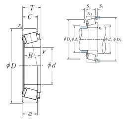
Габаритные размеры
Размеры и геометрические характеристики
Нагрузка и ресурс
Защита
Коэффициенты для расчета
Присоединительные размеры
Конструкция и исполнение