Главная > Подшипники> Роликовые > Радиально-упорные>HR33009J

HR33009J — Конический роликоподшипник, импортное производство по ISO стандарту, размер 45x75x24 номер основного исполнения 33009.
Производитель: NSK.
J = Сепаратор стальной штампованный незакалённый.
Цена по запросу
Цена на подшипник зависит от:
| Обозначение | Модификация |
|---|---|
| 33009 | Основное конструктивное исполнение. |
| 33009F | Механически обработанный сепаратор из стали или чугуна, центрируемый по телам качения. |
| 33009 A | A = внутренняя модификация конструкции. |
| 33009JR | R = Наружное кольцо с фланцем . |
| E33009J | J = Сепаратор стальной штампованный незакалённый. |
| 4T-33009 |
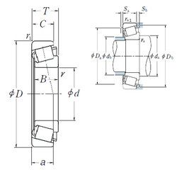
Габаритные размеры
Размеры и геометрические характеристики
Нагрузка и ресурс
Защита
Коэффициенты для расчета
Присоединительные размеры
Конструкция и исполнение