Главная > Подшипники> Роликовые > Радиально-упорные>HR33005J

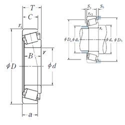
HR33005J — Однорядный конический роликовый подшипник, импортное производство по ISO стандарту, размер 25x47x17 номер основного исполнения 33005.
Производитель: NSK.
J = Сепаратор стальной штампованный незакалённый.
Цена по запросу
Цена на подшипник зависит от:
Габаритные размеры
Размеры и геометрические характеристики
Нагрузка и ресурс
Защита
Коэффициенты для расчета
Присоединительные размеры
Конструкция и исполнение
Подшипник роликовый радиально-упорный 3007105A (EPK)
Подшипник для корпуса U005+ER (NACHI)
Игольчатый роликоподшипник RNA2204XLL (NTN)
Однорядный конический роликовый подшипник IKOS025 (NKE)