Главная > Подшипники> Роликовые > Радиально-упорные>HR32972J

HR32972J — Конический роликоподшипник, импортное производство по ISO стандарту, размер 360x480x76 номер основного исполнения 32972.
Производитель: NSK.
J = Сепаратор стальной штампованный незакалённый.
Цена по запросу
Цена на подшипник зависит от:
| Обозначение | Модификация |
|---|---|
| 32972 | Основное конструктивное исполнение. |
| 32972X | X = Внешние размеры, соответствующие международным стандартам. |
| 32972 A | A = внутренняя модификация конструкции. |
| 32972JR | R = Наружное кольцо с фланцем . |
| 32972XUE1 | E1 = Проектирование повышенной емкости. |
| 32972-N11CA | CA = Цельный обработанный латунный сепаратор, двойной зуб, удерживающие фланцы на внутреннем кольце и направляющем кольце, центрированные на внутреннем кольце. |
| X32972/Y32972 | Y = Штампованный латунный сепаратор, центрируемый по телам качения. |
| 32972-N11CA-A400-450 | CA = Цельный обработанный латунный сепаратор, двойной зуб, удерживающие фланцы на внутреннем кольце и направляющем кольце, центрированные на внутреннем кольце. |
| 32972-N11CA-A200-250 | CA = Цельный обработанный латунный сепаратор, двойной зуб, удерживающие фланцы на внутреннем кольце и направляющем кольце, центрированные на внутреннем кольце. |
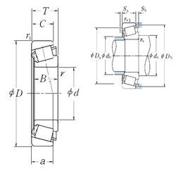
Габаритные размеры
Размеры и геометрические характеристики
Нагрузка и ресурс
Защита
Коэффициенты для расчета
Присоединительные размеры
Конструкция и исполнение