Главная > Подшипники> Роликовые > Радиально-упорные>HR32913J

HR32913J — Конический роликоподшипник, импортное производство по ISO стандарту, размер 65x90x17 номер основного исполнения 32913.
Производитель: NSK.
J = Сепаратор стальной штампованный незакалённый.
Цена по запросу
Цена на подшипник зависит от:
| Обозначение | Модификация |
|---|---|
| 32913 | Основное конструктивное исполнение. |
| 32913X | X = Внешние размеры, соответствующие международным стандартам. |
| 32913 A | A = внутренняя модификация конструкции. |
| 32913JR | R = Наружное кольцо с фланцем . |
| 32913XU | X = Внешние размеры, соответствующие международным стандартам. |
| E32913J | J = Сепаратор стальной штампованный незакалённый. |
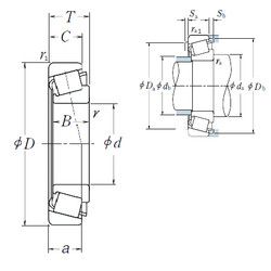
Габаритные размеры
Размеры и геометрические характеристики
Нагрузка и ресурс
Защита
Коэффициенты для расчета
Присоединительные размеры
Конструкция и исполнение
Подшипник роликовый радиально-упорный 2007913A (EPK)
Подшипник роликовый радиально-упорный 6-2007913 АИ