Главная > Подшипники> Роликовые > Радиально-упорные>HR322/32C

HR322/32C — Конический роликоподшипник, импортное производство по ISO стандарту, размер 32x65x22 номер основного исполнения .
Производитель: NSK.
С = Необслуживаемые концы стержней, внутренняя резьба.
Цена по запросу
Цена на подшипник зависит от:
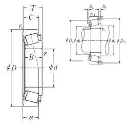
Габаритные размеры
Размеры и геометрические характеристики
Нагрузка и ресурс
Защита
Коэффициенты для расчета
Присоединительные размеры
Конструкция и исполнение
Подшипник роликовый радиально-упорный 322/32CR (KOYO)
Однорядный конический роликовый подшипник HR322/32 (NSK)