Главная > Подшипники> Роликовые > Радиально-упорные>HR320/28XJ

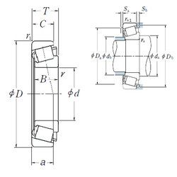
HR320/28XJ — Однорядный конический роликовый подшипник, импортное производство по ISO стандарту, размер 28x52x16 номер основного исполнения .
Производитель: NSK.
X = Внешние размеры, соответствующие международным стандартам. J = Прессованная стальная клетка оконного типа.
Цена по запросу
Цена на подшипник зависит от:
Габаритные размеры
Размеры и геометрические характеристики
Нагрузка и ресурс
Защита
Коэффициенты для расчета
Присоединительные размеры
Конструкция и исполнение
Однорядный конический роликовый подшипник 32028 XJ (FAG, KBC)
Подшипник роликовый радиально-упорный 20071/28A (EPK)
Подшипник шариковый радиальный BR2852DD (KBC)
Однорядный конический роликовый подшипник 28KW03A (NSK)
Подшипник роликовый радиально-упорный 320/28XF (Fersa)
Однорядный конический роликовый подшипник 4T-320/28X (NTN)