Главная > Подшипники> Роликовые > Радиально-упорные>HR31328J

HR31328J — Конический роликоподшипник, импортное производство по ISO стандарту, размер 140x300x77 номер основного исполнения 31328.
Производитель: NSK.
J = Сепаратор стальной штампованный незакалённый.
Цена по запросу
Цена на подшипник зависит от:
| Обозначение | Модификация |
|---|---|
| 31328 | Основное конструктивное исполнение. |
| 31328JR | R = Наружное кольцо с фланцем . |
| 31328XU | X = Внешние размеры, соответствующие международным стандартам. |
| 31328 A | A = внутренняя модификация конструкции. |
| 31328 X | X = Внешние размеры, соответствующие международным стандартам. |
| 31328-DF | Комплект подшипников расположенных лицом к лицу, дуплексная Х-образная пара. |
| 31328 XJ2 | X = Внешние размеры, соответствующие международным стандартам. J = Прессованная стальная клетка оконного типа. |
| 31328XUDF | Комплект подшипников расположенных лицом к лицу, дуплексная Х-образная пара. |
| 31328XJ/DF | X = Внешние размеры, соответствующие международным стандартам. J = Прессованная стальная клетка оконного типа. |
| 31328XJ2/DF | X = Внешние размеры, соответствующие международным стандартам. J = Прессованная стальная клетка оконного типа. |
| 31328-X-N11CA | CA = Цельный обработанный латунный сепаратор, двойной зуб, удерживающие фланцы на внутреннем кольце и направляющем кольце, центрированные на внутреннем кольце. |
| 31328-X-N11CA-A160-200 | CA = Цельный обработанный латунный сепаратор, двойной зуб, удерживающие фланцы на внутреннем кольце и направляющем кольце, центрированные на внутреннем кольце. |
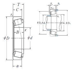
Габаритные размеры
Размеры и геометрические характеристики
Нагрузка и ресурс
Защита
Коэффициенты для расчета
Присоединительные размеры
Конструкция и исполнение
Подшипник роликовый радиальный 8-52328 М (ГПЗ-1)
Подшипник роликовый радиально-упорный конический однорядный 1027328 М
Подшипник роликовый радиально-упорный 6-1027328 М (ГПЗ-9)