Главная > Подшипники> Роликовые > Радиально-упорные>HR31311J

HR31311J — Однорядный конический роликовый подшипник, импортное производство по ISO стандарту, размер 55x120x31 номер основного исполнения 31311.
Производитель: NSK.
J = Сепаратор стальной штампованный незакалённый.
Цена по запросу
Цена на подшипник зависит от:
| Обозначение | Модификация |
|---|---|
| 31311 | Основное конструктивное исполнение. |
| 31311F | Механически обработанный сепаратор из стали или чугуна, центрируемый по телам качения. |
| 31311-A | A = внутренняя модификация конструкции. |
| 31311 J2 | J = Сепаратор стальной штампованный незакалённый. |
| 31311-DF | Комплект подшипников расположенных лицом к лицу, дуплексная Х-образная пара. |
| 31311J/DF | Комплект подшипников расположенных лицом к лицу, дуплексная Х-образная пара. |
| 31311J2/QDF | Комплект подшипников расположенных лицом к лицу, дуплексная Х-образная пара. |
| 31311 J2/QCL7C | С = Необслуживаемые концы стержней, внутренняя резьба. |
| X31311M/Y31311M | Y = Штампованный латунный сепаратор, центрируемый по телам качения. |
| 31311-A-N11CA-A80-120 | CA = Цельный обработанный латунный сепаратор, двойной зуб, удерживающие фланцы на внутреннем кольце и направляющем кольце, центрированные на внутреннем кольце. |
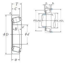
Габаритные размеры
Размеры и геометрические характеристики
Нагрузка и ресурс
Защита
Коэффициенты для расчета
Присоединительные размеры
Конструкция и исполнение
Однорядный конический роликовый подшипник 30311 (CRAFT, CYSD, FAG, FBJ, ISB)
Однорядный конический роликовый подшипник 30311 J (FAG, KBC)
Подшипник роликовый радиально-упорный конический 6-7311 АК (ГПЗ-15)
Подшипник роликовый радиально-упорный 6-7311 К (ГПЗ-15)