Главная > Подшипники> Роликовые > Радиально-упорные>HR30332J

HR30332J — Конический роликоподшипник, импортное производство по ISO стандарту, размер 160x340x75 номер основного исполнения 30332.
Производитель: NSK.
J = Сепаратор стальной штампованный незакалённый.
Цена по запросу
Цена на подшипник зависит от:
| Обозначение | Модификация |
|---|---|
| 30332 | Основное конструктивное исполнение. |
| 30332U | |
| 30332D | D = профиль наружного кольца, усовершенствованный, с увеличенной зоной несущей нагрузки и оптимизированными краевыми переходами. |
| 30332 A | A = внутренняя модификация конструкции. |
| 30332JR | R = Наружное кольцо с фланцем . |
| 430332X | X = Внешние размеры, соответствующие международным стандартам. |
| 30332UDF | Комплект подшипников расположенных лицом к лицу, дуплексная Х-образная пара. |
| 30332 J2 | J = Сепаратор стальной штампованный незакалённый. |
| 430332XU | X = Внешние размеры, соответствующие международным стандартам. |
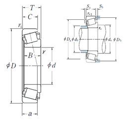
Габаритные размеры
Размеры и геометрические характеристики
Нагрузка и ресурс
Защита
Коэффициенты для расчета
Присоединительные размеры
Конструкция и исполнение