Главная > Подшипники> Роликовые > Радиально-упорные>HR303/28C

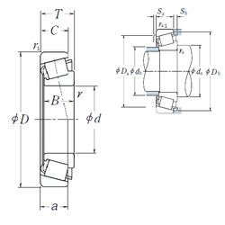
HR303/28C — Конический роликоподшипник, импортное производство по ISO стандарту, размер 28x68x19 номер основного исполнения .
Производитель: NSK.
С = Необслуживаемые концы стержней, внутренняя резьба.
Цена по запросу
Цена на подшипник зависит от:
Габаритные размеры
Размеры и геометрические характеристики
Нагрузка и ресурс
Защита
Коэффициенты для расчета
Присоединительные размеры
Конструкция и исполнение
Радиальный шарикоподшипник 712106210 (INA)
Подшипник однорядный шариковый радиальный F-122502 (INA, PFI)
Подшипник роликовый радиально-упорный 303/28CR (KOYO)
Подшипник роликовый радиально-упорный 303/28C (KBC)
Подшипник роликовый радиально-упорный 303/28R (KOYO)
Однорядный конический роликовый подшипник 303/28F (Fersa)