Главная > Подшипники> Роликовые > Радиально-упорные>HR30207C

HR30207C — Конический роликоподшипник, импортное производство по ISO стандарту, размер 35x72x18 номер основного исполнения 30207.
Производитель: NSK.
С = Необслуживаемые концы стержней, внутренняя резьба.
Цена по запросу
Цена на подшипник зависит от:
| Обозначение | Модификация |
|---|---|
| 30207 | Основное конструктивное исполнение. |
| 30207J | J = Сепаратор стальной штампованный незакалённый. |
| 30207A | A = внутренняя модификация конструкции. |
| 30207F | Механически обработанный сепаратор из стали или чугуна, центрируемый по телам качения. |
| E30207J | J = Сепаратор стальной штампованный незакалённый. |
| 30207CR | Однорядные радиальные роликоподшипники |
| 30207JR | R = Наружное кольцо с фланцем . |
| 4T-30207 | |
| HR30207J | J = Сепаратор стальной штампованный незакалённый. |
| 30207 J2 | J = Сепаратор стальной штампованный незакалённый. |
| 30207-XL | X = Внешние размеры, соответствующие международным стандартам. L = массивный сепаратор из лёгкого сплава. |
| 30207/80F | Механически обработанный сепаратор из стали или чугуна, центрируемый по телам качения. |
| 10Q30207A | A = внутренняя модификация конструкции. |
| 30207/37F | Механически обработанный сепаратор из стали или чугуна, центрируемый по телам качения. |
| 30207 J2/Q | Q = тихий ход работы подшипника. |
| 7207 (30207) | |
| X30207/Y30207 | Y = Штампованный латунный сепаратор, центрируемый по телам качения. |
| 10X.30207.A.N | A = внутренняя модификация конструкции. |
| 30207AG15H206 | G15 = Формованная литьевая клетка из армированного стекловолокном полиамида 6,6, с вращающимся элементом по центру. |
| X30207M/Y30207M | Y = Штампованный латунный сепаратор, центрируемый по телам качения. |
| HI-CAP 57305/30207J | P5 = Подшипники 5-го класса точности DIN |
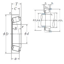
Габаритные размеры
Размеры и геометрические характеристики
Нагрузка и ресурс
Защита
Коэффициенты для расчета
Присоединительные размеры
Конструкция и исполнение
Подшипник шариковый радиальный 7-710207 АКТ2 (ГПЗ-23)
Подшипник роликовый радиально-упорный 5-67207 (ГПЗ-1)
Подшипник роликовый радиально-упорный конический однорядный повышенной грузоподъемности с упорным бортом на наружном кольце 6-67207 (ГПЗ-1)