Главная > Подшипники> Роликовые > Радиально-упорные>HR302/22C

HR302/22C — Конический роликоподшипник, импортное производство по ISO стандарту, размер 22x50x15 номер основного исполнения .
Производитель: NSK.
С = Необслуживаемые концы стержней, внутренняя резьба.
Цена по запросу
Цена на подшипник зависит от:
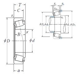
Габаритные размеры
Размеры и геометрические характеристики
Нагрузка и ресурс
Защита
Коэффициенты для расчета
Присоединительные размеры
Конструкция и исполнение
Однорядный конический роликовый подшипник 07087/07210X (Fersa, KOYO)
Однорядный конический роликовый подшипник 07087X/07210X (Fersa)
Подшипник роликовый радиально-упорный 302/22CR (KOYO)
Подшипник роликовый радиально-упорный 302/22R (KOYO)
Конический роликоподшипник 4T-07087X/07210X (NTN)
Конический роликоподшипник 4T-07087/07210X (NTN)