Главная > Подшипники> Роликовые > Радиально-упорные>HM911249R/HM911210

HM911249R/HM911210 — Подшипник роликовый радиально-упорный, импортное производство по ISO стандарту, размер 61x111x33 номер основного исполнения .
Производитель: KOYO.
H = высокая, узкая каретка для двухрядного шарикоподшипника и направляющей в сборе.
Цена от:3 383 р.
Цена на подшипник зависит от:
Габаритные размеры
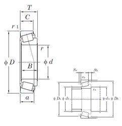
Размеры и геометрические характеристики
Нагрузка и ресурс
Защита
Коэффициенты для расчета
Присоединительные размеры
Конструкция и исполнение