Главная > Подшипники> Роликовые > Радиально-упорные>HM911242/HM911210

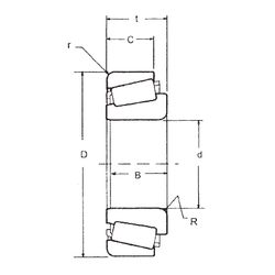
HM911242/HM911210 — Однорядный конический роликовый подшипник, импортное производство по ISO стандарту, размер 53x130x36 номер основного исполнения .
Производится брендами: FBJ, NIS, NSK, TIMKEN.
H = высокая, узкая каретка для двухрядного шарикоподшипника и направляющей в сборе.
Цена от:3 470 р.
Цена на подшипник зависит от:
Габаритные размеры
Размеры и геометрические характеристики
Нагрузка и ресурс
Защита
Коэффициенты для расчета
Присоединительные размеры
Конструкция и исполнение
Прочие характеристики
Однорядный конический роликовый подшипник 4T-HM911242/HM911210 (NTN)
Подшипник роликовый радиально-упорный HM911242/10 (CX, ISO)