Главная > Подшипники> Роликовые > Радиально-упорные>HM907639/HM907614

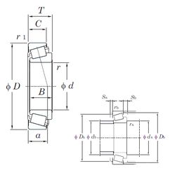
HM907639/HM907614 — Подшипник роликовый радиально-упорный, импортное производство по ISO стандарту, размер 47x111x30 номер основного исполнения .
Производится брендами: KOYO, TIMKEN.
H = высокая, узкая каретка для двухрядного шарикоподшипника и направляющей в сборе.
Цена от:1 506 р.
Цена на подшипник зависит от:
Габаритные размеры
Размеры и геометрические характеристики
Нагрузка и ресурс
Защита
Коэффициенты для расчета
Присоединительные размеры
Конструкция и исполнение
Конический роликоподшипник 4T-55187/55437 (NTN)
Конический роликоподшипник 4T-55187C/55437 (NTN)
Подшипник роликовый радиально-упорный 55187C/55437 (CX, FBJ, Fersa, ISO, TIMKEN)