Главная > Подшипники> Роликовые > Радиально-упорные>HM903248/HM903210

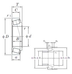
HM903248/HM903210 — Однорядный конический роликовый подшипник, импортное производство по ISO стандарту, размер 44x95x30 номер основного исполнения .
Производится брендами: KOYO, TIMKEN.
H = высокая, узкая каретка для двухрядного шарикоподшипника и направляющей в сборе.
Цена от:3 904 р.
Цена на подшипник зависит от:
Габаритные размеры
Размеры и геометрические характеристики
Нагрузка и ресурс
Защита
Коэффициенты для расчета
Присоединительные размеры
Конструкция и исполнение
Однорядный конический роликовый подшипник 3782/3726 (TIMKEN)
Конический роликоподшипник 4T-53176/53375 (NTN)
Конический роликоподшипник 4T-53178/53375 (NTN)
Конический роликоподшипник 4T-53177/53375 (NTN)
Конический роликоподшипник 4T-HM903248/HM903210 (NTN)
Однорядный конический роликовый подшипник 4T-HM903249/HM903210 (NTN)