Главная > Подшипники> Роликовые > Радиально-упорные>HM813844/HM813810

HM813844/HM813810 — Однорядный конический роликовый подшипник, импортное производство по ISO стандарту, размер 66x127x36 номер основного исполнения .
Производится брендами: FBJ, TIMKEN.
H = высокая, узкая каретка для двухрядного шарикоподшипника и направляющей в сборе.
Цена от:3 687 р.
Цена на подшипник зависит от:
Габаритные размеры
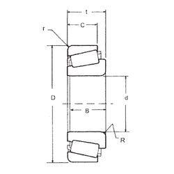
Размеры и геометрические характеристики
Нагрузка и ресурс
Защита
Коэффициенты для расчета
Присоединительные размеры
Конструкция и исполнение
Конический роликоподшипник 4T-HM813844/HM813810 (NTN)
Подшипник роликовый радиально-упорный HM813844/11 (CX, ISO)
Подшипник роликовый радиально-упорный HM813844/HM813811 (KOYO, TIMKEN)
Подшипник роликовый радиально-упорный HM813844/10 (CX, ISO)