Главная > Подшипники> Роликовые > Радиально-упорные>HM813840/HM813810

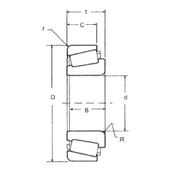
HM813840/HM813810 — Однорядный конический роликовый подшипник, импортное производство по ISO стандарту, размер 55x127x36 номер основного исполнения .
Производится брендами: FBJ, KOYO, TIMKEN.
H = высокая, узкая каретка для двухрядного шарикоподшипника и направляющей в сборе.
Цена от:3 254 р.
Цена на подшипник зависит от:
Габаритные размеры
Размеры и геометрические характеристики
Нагрузка и ресурс
Защита
Коэффициенты для расчета
Присоединительные размеры
Конструкция и исполнение
Конический роликоподшипник 4T-HM813840/HM813810 (NTN)
Подшипник роликовый радиально-упорный HM813840/10 (CX, ISO)
Однорядный конический роликовый подшипник HM813840/HM813811 (Fersa, TIMKEN)