Главная > Подшипники> Роликовые > Радиально-упорные>HM807046/HM807010

HM807046/HM807010 — Однорядный конический роликовый подшипник, импортное производство по ISO стандарту, размер 50x104x36 номер основного исполнения .
Производится брендами: FBJ, Fersa, KOYO, NACHI, NIS, NSK, TIMKEN.
H = высокая, узкая каретка для двухрядного шарикоподшипника и направляющей в сборе.
Цена от:2 124 р.
Цена на подшипник зависит от:
Габаритные размеры
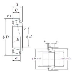
Размеры и геометрические характеристики
Нагрузка и ресурс
Защита
Коэффициенты для расчета
Присоединительные размеры
Конструкция и исполнение
Прочие характеристики
Конический роликоподшипник 4T-59200/59412 (NTN)
Однорядный конический роликовый подшипник 4T-HM807046/HM807010 (NTN)
Однорядный конический роликовый подшипник 59200/59412 (CX, FBJ, ISO, KOYO, TIMKEN)
Однорядный конический роликовый подшипник 59201/59412 (CX, ISO, TIMKEN)
Однорядный конический роликовый подшипник 59200/59413 (TIMKEN)
Конический роликоподшипник 59200/59432 (TIMKEN)