Главная > Подшипники> Роликовые > Радиально-упорные>HM807035/HM807010

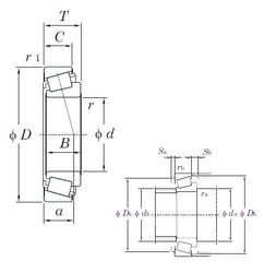
HM807035/HM807010 — Однорядный конический роликовый подшипник, импортное производство по ISO стандарту, размер 41x104x36 номер основного исполнения .
Производится брендами: KOYO, TIMKEN.
H = высокая, узкая каретка для двухрядного шарикоподшипника и направляющей в сборе.
Цена по запросу
Цена на подшипник зависит от:
Габаритные размеры
Размеры и геометрические характеристики
Нагрузка и ресурс
Защита
Коэффициенты для расчета
Присоединительные размеры
Конструкция и исполнение
Конический роликоподшипник 4T-59162/59412 (NTN)
Однорядный конический роликовый подшипник 59162/59412 (Fersa, KOYO)
Подшипник роликовый радиально-упорный HM807035/10 (CX, ISO)
Конический роликоподшипник HM807035/HM807011 (TIMKEN)
Однорядный конический роликовый подшипник HM807035/11 (CX, ISO)