Главная > Подшипники> Роликовые > Радиально-упорные>HM803145/HM803110

HM803145/HM803110 — Однорядный конический роликовый подшипник, импортное производство по ISO стандарту, размер 41x88x30 номер основного исполнения .
Производится брендами: FBJ, Fersa, KOYO, NIS, NSK, TIMKEN.
H = высокая, узкая каретка для двухрядного шарикоподшипника и направляющей в сборе.
Цена от:1 084 р.
Цена на подшипник зависит от:
Габаритные размеры
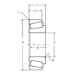
Размеры и геометрические характеристики
Нагрузка и ресурс
Защита
Коэффициенты для расчета
Присоединительные размеры
Конструкция и исполнение
Прочие характеристики
Конический роликоподшипник 4T-HM803145/HM803110 (NTN)
Конический роликоподшипник 4T-HM803146/HM803110 (NTN)
Подшипник роликовый радиально-упорный HM803146/11 (CX, ISO)
Однорядный конический роликовый подшипник HM803146/HM803110 (AST, FBJ, Fersa, KOYO, NIS)
Однорядный конический роликовый подшипник HM803146/10 (CX, ISO)
Подшипник роликовый радиально-упорный HM803145/10 (CX, ISO)