Главная > Подшипники> Роликовые > Радиально-упорные>HM801349/HM801310

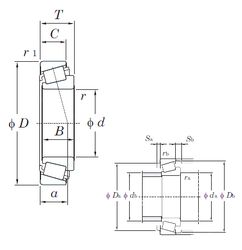
HM801349/HM801310 — Однорядный конический роликовый подшипник, импортное производство по ISO стандарту, размер 40x82x29 номер основного исполнения .
Производится брендами: FBJ, KOYO, TIMKEN.
H = высокая, узкая каретка для двухрядного шарикоподшипника и направляющей в сборе.
Цена от:2 169 р.
Цена на подшипник зависит от:
Габаритные размеры
Размеры и геометрические характеристики
Нагрузка и ресурс
Защита
Коэффициенты для расчета
Присоединительные размеры
Конструкция и исполнение
Однорядный конический роликовый подшипник 4T-HM801349/HM801310 (NTN)
Однорядный конический роликовый подшипник HM801349/10 (CX, ISO)