Главная > Подшипники> Роликовые > Радиально-упорные>HM801346/HM801310

HM801346/HM801310 — Однорядный конический роликовый подшипник, импортное производство по ISO стандарту, размер 38x82x29 номер основного исполнения .
Производится брендами: AST, FBJ, Fersa, KOYO, NIS, NSK, TIMKEN.
H = высокая, узкая каретка для двухрядного шарикоподшипника и направляющей в сборе.
Цена от:1 301 р.
Цена на подшипник зависит от:
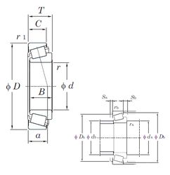
Габаритные размеры
Размеры и геометрические характеристики
Нагрузка и ресурс
Защита
Коэффициенты для расчета
Присоединительные размеры
Конструкция и исполнение
Прочие характеристики
Однорядный конический роликовый подшипник 4T-HM801346/HM801310 (NTN)
Однорядный конический роликовый подшипник 4T-HM801346X/HM801310 (NTN)
Конический роликоподшипник F-803554-TR1-T29B (FAG)
Однорядный конический роликовый подшипник HM801346/10 (CX, ISO)
Подшипник роликовый радиально-упорный HM801346/310 (ISB)
Однорядный конический роликовый подшипник HM801346/310/Q (SKF)