Главная > Подшипники> Роликовые > Радиально-упорные>HM647448/HM647411

HM647448/HM647411 — Подшипник роликовый радиально-упорный, импортное производство по ISO стандарту, размер 231x377x79 номер основного исполнения .
Производитель: KOYO.
H = высокая, узкая каретка для двухрядного шарикоподшипника и направляющей в сборе.
Цена по запросу
Цена на подшипник зависит от:
Габаритные размеры
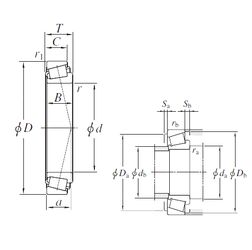
Размеры и геометрические характеристики
Нагрузка и ресурс
Защита
Коэффициенты для расчета
Присоединительные размеры
Конструкция и исполнение