Главная > Подшипники> Роликовые > Радиально-упорные>HM624749/HM624716

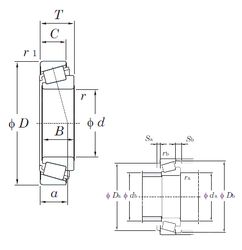
HM624749/HM624716 — Подшипник роликовый радиально-упорный, импортное производство по ISO стандарту, размер 120x199x46 номер основного исполнения .
Производится брендами: KOYO, TIMKEN.
H = высокая, узкая каретка для двухрядного шарикоподшипника и направляющей в сборе.
Цена от:9 761 р.
Цена на подшипник зависит от:
Габаритные размеры
Размеры и геометрические характеристики
Нагрузка и ресурс
Защита
Коэффициенты для расчета
Присоединительные размеры
Конструкция и исполнение