Главная > Подшипники> Роликовые > Радиально-упорные>HM516449/HM516410

HM516449/HM516410 — Однорядный конический роликовый подшипник, импортное производство по ISO стандарту, размер 82x133x39 номер основного исполнения .
Производится брендами: FBJ, KOYO, NACHI.
H = высокая, узкая каретка для двухрядного шарикоподшипника и направляющей в сборе.
Цена от:3 254 р.
Цена на подшипник зависит от:
Габаритные размеры
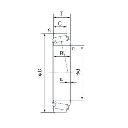
Размеры и геометрические характеристики
Нагрузка и ресурс
Защита
Коэффициенты для расчета
Присоединительные размеры
Конструкция и исполнение
Конический роликоподшипник 4T-HM516449/HM516410 (NTN)
Конический роликоподшипник 4T-HM516448/HM516410 (NTN)
Однорядный конический роликовый подшипник HM516449A/HM516410 (TIMKEN)
Однорядный конический роликовый подшипник HM516448/HM516410 (FBJ, KOYO, NIS, NSK, TIMKEN)
Подшипник роликовый радиально-упорный HM516449/10 (CX, ISO)
Однорядный конический роликовый подшипник HM516449C/HM516410 (Fersa, TIMKEN)