Главная > Подшипники> Роликовые > Радиально-упорные>HM266448/HM266410

HM266448/HM266410 — Однорядный конический роликовый подшипник, импортное производство по ISO стандарту, размер 381x546x104 номер основного исполнения .
Производится брендами: KOYO, TIMKEN.
H = высокая, узкая каретка для двухрядного шарикоподшипника и направляющей в сборе.
Цена по запросу
Цена на подшипник зависит от:
Габаритные размеры
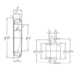
Размеры и геометрические характеристики
Нагрузка и ресурс
Защита
Коэффициенты для расчета
Присоединительные размеры
Конструкция и исполнение
Подшипник роликовый радиально-упорный HM266447/HM266410 (KOYO, NSK, TIMKEN)
Подшипник роликовый радиально-упорный HM266446/10 (CX, ISO)
Подшипник роликовый радиально-упорный HM266447/10 (CX, ISO)
Однорядный конический роликовый подшипник HM266446/HM266410 (KOYO, TIMKEN)
Конический роликоподшипник T-HM266446/HM266410 (NTN)
Конический роликоподшипник T-HM266447/HM266410G2 (NTN)