Главная > Подшипники> Роликовые > Радиально-упорные>HM237536/HM237511

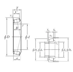
HM237536/HM237511 — Подшипник роликовый радиально-упорный, импортное производство по ISO стандарту, размер 165x288x63 номер основного исполнения .
Производитель: KOYO.
H = высокая, узкая каретка для двухрядного шарикоподшипника и направляющей в сборе.
Цена по запросу
Цена на подшипник зависит от:
Габаритные размеры
Размеры и геометрические характеристики
Нагрузка и ресурс
Защита
Коэффициенты для расчета
Присоединительные размеры
Конструкция и исполнение
Подшипник роликовый радиально-упорный конический 7933 М
Однорядный конический роликовый подшипник 94649/94113 (CX, ISO, NSK, TIMKEN)
Однорядный конический роликовый подшипник HM237535/HM237510 (KOYO, NSK, NTN, TIMKEN)
Подшипник роликовый радиально-упорный HM237535/10 (CX, ISO)
Конический роликоподшипник HM237536/HM237510 (TIMKEN)
Конический роликоподшипник T-94649/94113 (NTN)