Главная > Подшипники> Роликовые > Радиально-упорные>HM231148/110

HM231148/110 — Конический роликоподшипник, импортное производство по ISO стандарту, размер 149x236x57 номер основного исполнения .
Производитель: SKF.
Цена по запросу
Цена на подшипник зависит от:
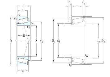
Габаритные размеры
Размеры и геометрические характеристики
Нагрузка и ресурс
Защита
Коэффициенты для расчета
Присоединительные размеры
Конструкция и исполнение
Однорядный конический роликовый подшипник 82587/82931 (KOYO, NSK)
Однорядный конический роликовый подшипник HM231149/HM231110 (KOYO, NACHI, NSK, TIMKEN)
Подшипник роликовый радиально-упорный HM231148/HM231110 (KOYO, NSK, TIMKEN)
Конический роликоподшипник 4T-HM231149/HM231110 (NTN)
Подшипник роликовый радиально-упорный HM231148/10 (CX, ISO)
Подшипник роликовый радиально-упорный HM231149/10 (CX, ISO)