Главная > Подшипники> Роликовые > Радиально-упорные>HM231140/HM231110

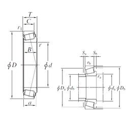
HM231140/HM231110 — Однорядный конический роликовый подшипник, импортное производство по ISO стандарту, размер 146x236x57 номер основного исполнения .
Производится брендами: KOYO, NIS, NSK, TIMKEN.
H = высокая, узкая каретка для двухрядного шарикоподшипника и направляющей в сборе.
Цена по запросу
Цена на подшипник зависит от:
Габаритные размеры
Размеры и геометрические характеристики
Нагрузка и ресурс
Защита
Коэффициенты для расчета
Присоединительные размеры
Конструкция и исполнение
Прочие характеристики
Однорядный конический роликовый подшипник 82576/82931 (CX, ISO, NSK, TIMKEN)
Подшипник роликовый радиально-упорный HM231140/10 (CX, ISO)