Главная > Подшипники> Роликовые > Радиально-упорные>HM212049/HM212010

HM212049/HM212010 — Однорядный конический роликовый подшипник, импортное производство по ISO стандарту, размер 66x122x38 номер основного исполнения .
Производится брендами: FBJ, Fersa, KOYO, NACHI, NIS, NSK, TIMKEN.
H = высокая, узкая каретка для двухрядного шарикоподшипника и направляющей в сборе.
Цена от:2 082 р.
Цена на подшипник зависит от:
Габаритные размеры
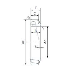
Размеры и геометрические характеристики
Нагрузка и ресурс
Защита
Коэффициенты для расчета
Присоединительные размеры
Конструкция и исполнение
Прочие характеристики
Подшипник роликовый радиально-упорный HM212049/HM212011
Однорядный конический роликовый подшипник 4T-HM212049/HM212010 (NTN)
Подшипник роликовый радиально-упорный 560/553X (KOYO, NACHI, NIS, NSK)
Подшипник роликовый радиально-упорный HM212049X/11 (CX, ISO)
Однорядный конический роликовый подшипник HM212049/HM212011 (AST, FBJ, Fersa, NACHI, NIS)
Конический роликоподшипник HM212049X/HM212010 (TIMKEN)