Главная > Подшипники> Роликовые > Радиально-упорные>HM212047/HM212010

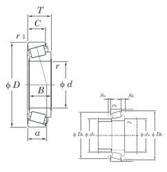
HM212047/HM212010 — Однорядный конический роликовый подшипник, импортное производство по ISO стандарту, размер 63x122x38 номер основного исполнения .
Производится брендами: KOYO, NIS, NSK, TIMKEN.
H = высокая, узкая каретка для двухрядного шарикоподшипника и направляющей в сборе.
Цена от:2 819 р.
Цена на подшипник зависит от:
Габаритные размеры
Размеры и геометрические характеристики
Нагрузка и ресурс
Защита
Коэффициенты для расчета
Присоединительные размеры
Конструкция и исполнение
Прочие характеристики
Конический роликоподшипник 4T-HM212046/HM212011 (NTN)
Конический роликоподшипник 4T-HM212047/HM212010 (NTN)
Конический роликоподшипник 4T-HM212047/HM212011 (NTN)
Конический роликоподшипник дюймовая серия BM212047/HM212010 (AST)
Однорядный конический роликовый подшипник HM212046/HM212010 (NIS, NSK, TIMKEN)
Подшипник роликовый радиально-упорный HM212046/11 (CX, ISO)