Главная > Подшипники> Роликовые > Радиально-упорные>HM212044/HM212010

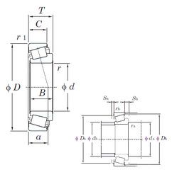
HM212044/HM212010 — Подшипник роликовый радиально-упорный, импортное производство по ISO стандарту, размер 60x122x38 номер основного исполнения .
Производится брендами: KOYO, NACHI, NIS, NSK, TIMKEN.
H = высокая, узкая каретка для двухрядного шарикоподшипника и направляющей в сборе.
Цена от:3 470 р.
Цена на подшипник зависит от:
Габаритные размеры
Размеры и геометрические характеристики
Нагрузка и ресурс
Защита
Коэффициенты для расчета
Присоединительные размеры
Конструкция и исполнение
Прочие характеристики
Конический роликоподшипник 4T-HM212044/HM212011 (NTN)
Подшипник роликовый радиально-упорный HM212044/11 (CX, ISO)
Однорядный конический роликовый подшипник HM212044/HM212011 (FBJ, Fersa, TIMKEN)
Подшипник роликовый радиально-упорный 558/553X (KOYO, NIS, NSK)