Главная > Подшипники> Роликовые > Игольчатые>HK2525

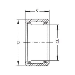
HK2525 — Роликовый игольчатый подшипник, импортное производство по ISO стандарту, размер 25x32x25 основное исполнение.
Производитель: FBJ.
Игольчатый роликоподшипник со штампованным наружным кольцом и открытыми торцами.
Цена по запросу
Цена на подшипник зависит от:
Габаритные размеры
Размеры и геометрические характеристики
Нагрузка и ресурс
Защита
Конструкция и исполнение
Подшипник роликовый игольчатый с наружным кольцом со сквозным отверстием без сепаратора 943/25 К
Подшипник роликовый игольчатый с наружным кольцом со сквозным отверстием без сепаратора 943/25
Игольчатый роликоподшипник RLM2525 (NSK)